Wednesday 10th of December 2025
Home
News
Desain
Lifestyle
Edukasi
Zodiak
Food
Santai
Health
Travel
Hastag
#inverter dc to ac
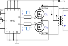
Cara Kerja Inverter DC to AC, Begini Cara Mengubah Arus Searah Menjadi Arus Bolak-Balik!
Sabtu /
25-10-2025,05:22 WIB
Inverter DC to AC Adalah: Pengertian, Fungsi, Contoh Rangkaian, dan Jenis-Jenisnya
Sabtu /
25-10-2025,05:20 WIB
Update
Link Baca Manga Shangri-La Frontier Chapter 247 Bahasa Indonesia Scan, Permainan Tag yang Saling Memukul dan Mengejar
Manhwa Raising Villains the Right Way Chapter 11 Bahasa Indonesia Villain yang Satu Ini Hobinya Mencuri Hati
Mentok RAW! Baca Manhua Magic Emperor Chapter 783 Bahasa Indonesia, Pertanyaan Menjebak Zhuo Fan
Baca Manhwa The Bully In Charge Chapter 160 Bahasa Indonesia Scan, Urus Dengan Lembut Sampel Berharga itu!
Update Terbaru dan Baca Manga Kanojo, Okarishimasu Chapter 401 Bahasa Indonesia Scan, Mami–chan Terlihat Sangat Sedih
UPDATE! The Investor Who Sees The Future Chapter 70 BAHASA Indo Kebangkrutan Sudah di Depan Mata Tapi Harus Tetap Stay Cool
RAW Baca Manhwa The Regressed Mercenary’s Machinations Chapter 64 Bahasa Indonesia, Serangan Mematikan
Topik
Gratis! Link Baca Manhwa Absolute Regression Chapter 79 Bahasa Indonesia, Kau Harus Melalui Jalan Berbunga!
Spoiler Manga Gachiakuta Chapter 156 Bahasa Indonesia, Rudo yang Semakin Lihai Memakay Senjata Series Watchman Miliknya
Link Baca Manga Kanojo, Okarishimasu Chapter 401 Bahasa Indonesia Scan, Cewekku dan Tas Sekolah Miliknya
Update Link Baca Manhwa BL Jinx Chapter 84 Bahasa Indonesia, Enam Hari Sebelum Pertandingan Comeback Jaekyung
Baca Manhua Demonic Evolution Chapter 130 Indonesia Scan, RAW! Guncangan Dunia yang Menggelegar
Baca Manhwa Reality Quest Chapter 178 Indonesia Scan, RAW! Basmi Seluruh Musuh di Bumi
Dikira Penyusup! Spoilers dan Link Nonton Donghua Perfect World Episode 240 Subtitle Indonesia Secara Gratis